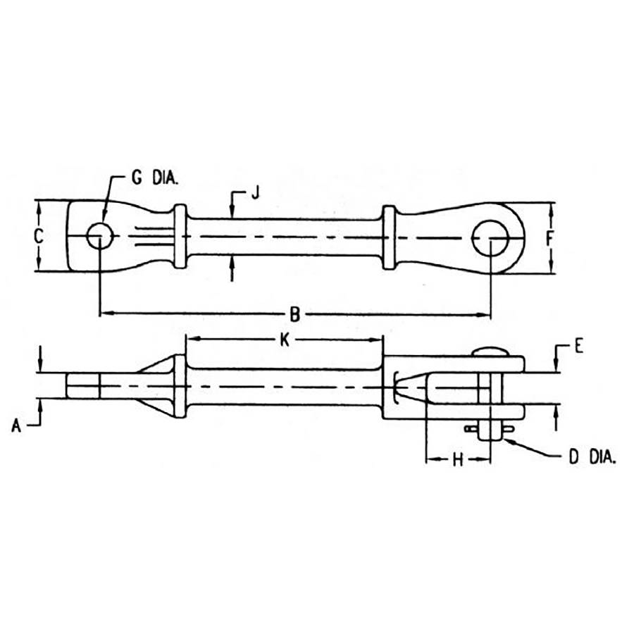
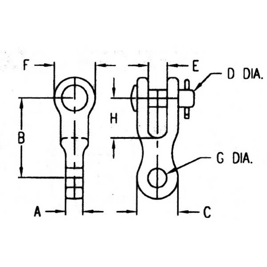
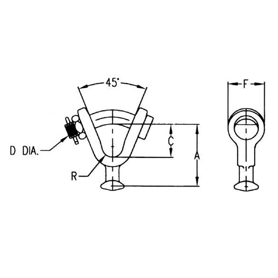
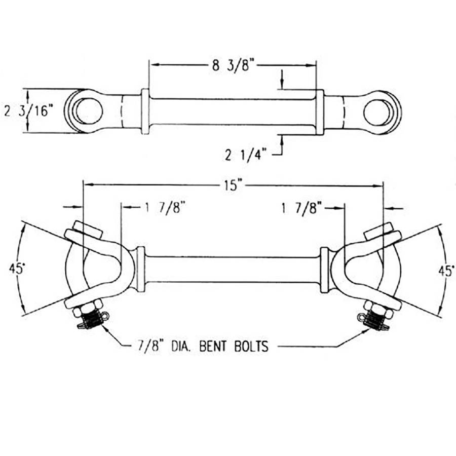
Insulator Fittings
MPS offers a wide variety of insulator fittings for your power and utility needs.
Filter By:
For Insulator Class
24 Product Lines Found
Sort By:
